Для ремонта изделия доставьте его к нам на М: Савеловская
Адрес:
ул. Сущёвский Вал, 5, стр. 12, павильон «Мобильный», П-106
Вопросы можно задать на 117@dombatareek.ru
Описание
Характеристики
Отзывы
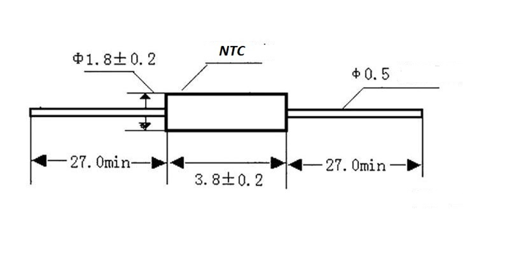
Описание
Термистор NTC-50K 5% NTC термистор с отрицательным температурным коэффициентом представлят собой температурнозависимый резистор, сопротивление которого уменьшается при повышении температуры. Чаще всего используеются для прецизионного измерения температуры в автомобильной, бытовой и промышленной электронике, в системах связи.
Характеристики
Страна производитель товара
Китай
Страна производитель товара:
Китай
Класс опасности товара
Не опасен
Заводской номер (p/n) :
ET-020190
Заводской номер (p/n)
ET-020190
Отзывы
Отзывов еще никто не оставлял
Ранее просмотренные


